1999 Subaru Impreza Wiring Diagram
If you have one that you can email that would be great i have the ecu pinouts but need the wiring diagram. Download free 1999 2001 subaru impreza wiring diagram pdf this 1999 2001 subaru impreza wiring diagram covered.

Diagram Subaru Impreza 1999 Wiring Diagram Full Version Hd Quality Wiring Diagram Mediagrame Martamenegatti It
Need wiring diagrams.

1999 subaru impreza wiring diagram. 2009 Subaru Impreza Factory Service Manual PDF. Subaru Aftermarket Amplifier or Subwoofer Installation Information. 2000 subaru impreza wiring diagram for 1999 forester diagrams and ecu pinouts 1997 96 stereo bcm 2002 legacy headlight a enese import 1996 wrong horn wire wrx radio harness pin out.
Please be sure to test all of your wires with. Subaru Wire Harness Diagram Wiring Database Horizon Wiring Diagram For 1999 Subaru Forester Reactor Diagram 1997 Subaru Wiring Full Version Hd Quality Diagrammycase Mdqnext It Diagram Subaru Impreza Bcm Full Version Hd Quality. This video will show you How to Access the Subaru Impreza Wiring Diagrams and details of the wiring harness.
1990 Legacypdf 458 kB. They are gathered here as reference page to look at when you need wiring help. BUSARU Wiring Harness Playlist.
A wiring diagram is a simplified traditional pictorial representation of an electrical circuit. Subaru - Legacy - Workshop Manual - 1999 - 2003. To discover all graphics within Subaru Impreza Wiring Diagram photos gallery remember to stick to that website link.
Check out our popular Subaru Impreza Manuals below. This information outlines the wires location color and polarity to help you identify the proper connection spots in the vehicle. 2000 Subaru Impreza Wiring Diagram New Diagrams Partner Wiring Diagram For 1999 Subaru Forester Reactor.
Get your hands on the complete Subaru factory workshop software 999 Download now. 1998-1999 Subaru Impreza Wiring Diagram. The Modified Life staff has put their.
The engine code is ej207dw1pr. 1999 subaru impreza wiring diagram. 1999 Subaru Impreza car stereo wire colors functions and locations.
I have even called subaru here in roanoke and they cant find one. For the gh3 impreza wiring diagram. Whether your an expert installer or a novice enthusiast with a 1999 Subaru Impreza an automotive wiring diagram can save yourself time and headaches.
Get your hands on the complete Subaru factory workshop software 999 Download now. Honda Monkey Z50j Wiring Diagram Wiring Diagram. 9d6f 2000 Dodge Durango Fuse Box Diagram Wiring Resources.
Browse Categories Answer Questions. 2005 Subaru Legacy Service Repair Manual PDF. 1992 Legacypdf 433 kB.
Final Elements Regen EVs Aircooled Vanagon If youre interested in converting your wiring harness yourself you may find these videos helpful. I downloaded all the pdf mentioned here in but. 1999 Subaru Impreza Outback Wiring Diagrams.
Remove Donor Engine. Install Subaru Engine 7. Subaru wire harness diagram wiring for 1999 forester 1997 impreza bcm radio 2004 outback 2020 legacy full wrx pin out liberty 2000 power window gc8.
2006 Subaru Impreza Factory Service Manual PDF. Subaru - Impreza - Wiring Diagram - 1997 - 1997 Updated. 1999 Subaru Impreza Engine Diagram Wiring Diagram Rows.
Mainly just the engine harness for a 1999 rs. The history of the concern thanks to which the brand Subaru appeared began in 1917. 1999 subaru impreza stereo wiring.
Listed below is the vehicle specific wiring diagram for your car alarm remote starter or keyless entry installation into your 1998-1999 Subaru Impreza. Rocky Jamesh Published Date. 1999 Subaru Impreza Wiring Diagram Author.
Wiring January 8 2020. 1999 Subaru Impreza Engine Diagram Wiring Diagram Rows. Xcceleration northursalia com wiring diagrams and ecu pinouts 1996 subaru diagram 137 initial car radio stereo audio autoradio connector wire installation schematic schema esquema de conexiones stecker konr connecteur cable shema wiper washer impreza outback sport 1999 system for cars wrx harness pin out fuel pump.
Subaru - Legacy - Wiring Diagram - 1996 - 1999 Updated. 1999 Subaru Impreza Wiring Diagram November 22 2018 Xcceleration. Subaru - Outback - Workshop Manual - 1996 - 1998.
1999 Impreza Wiring Diagram. English Service Manual and Wiring Diagram to vehicles Subaru Impreza 1992-2000pZlIjhttpsservicemanualsonlinesubaru851-subaru-impreza-1992-2000-serv. Saturn Sl1 Fuse Diagram Wiring Diagram.
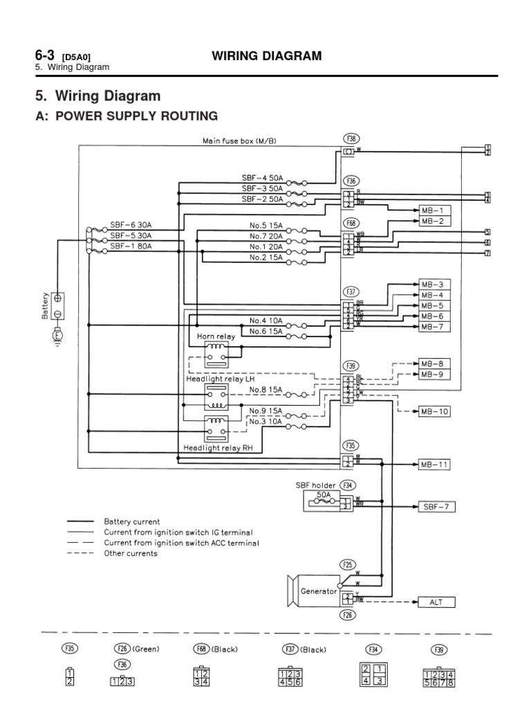
2013 Subaru IMPREZA and Subaru XV Repair Manual. Check out our popular Subaru Legacy Manuals below. 1999 Subaru Impreza Radio Wiring Diagram Power supply routing ground distribution airbag system air conditioning system anti-lock brake system AT control system AT shift lock system Audio system charging system combination meter cruise control system door lock system engine electrical system fuel gauge.
This is a collection of wiring diagrams and ecu pinouts we have been given or have come across. Hopefully somebody can help so please let me know. 1997 Legacypdf 2636 kB.
This specific photograph Subaru Impreza Wiring Diagram 1999 Subaru Impreza Wiring Diagram Page 3 Wiring Diagram and earlier mentioned is usually classed along withposted through Zachary Long with 2019-02-13 120445. 1999 Subaru Impreza car stereo wire colors functions and locations. Legacy L Wagon AWD F4-22L SOHC 1997 Subaru - Legacy - Workshop.
Diagrams for the following systems are included. One of the most time consuming tasks with installing a car stereo car radio car speakers car amplifier car navigation or any mobile electronics is identifying the correct wires for a 1999 Subaru Impreza. US Cars wiring diagram schemas.
1997 Imprezapdf 1593 kB.

Diagram 1999 Subaru Radio Wiring Diagram Full Version Hd Quality Wiring Diagram Circutdiagram Hotelrigelcatania It

Im Looking For Wiring Diagram For A Japenese Import For Subaru Impreza

4 Subaru Engine Wiring Diagram Subaru Legacy 2002 Subaru Wrx Subaru Outback

1999 Subaru Impreza Wiring Diagram Wiring Diagram Service Manual Pdf
Diagram 2012 Subaru Wiring Diagram Full Version Hd Quality Wiring Diagram Diagramofbrain Antichemurasorrento It

Diagram 1994 Subaru Legacy Radio Wire Diagram Full Version Hd Quality Wire Diagram Ediagramming Martamenegatti It

Diagram 2007 Subaru Wiring Diagrams Full Version Hd Quality Wiring Diagrams Outletdiagram Parcodellegite It

Subaru Factory Wiring Diagrams Wiring Diagrams A10 Smoke

Diagram Subaru Wrx 99 Wiring Diagram Full Version Hd Quality Wiring Diagram Outletdiagram Martamenegatti It
98 Impreza Fan Wiring Question 3 Wire Vs 2 Wire Subaru Impreza Gc8 Rs Forum Community

Subaru Wiring Diagram Color Codes Subaru Impreza Subaru Forester Electrical Diagram

Diagram Subaru Impreza 2007 Wiring Diagram Full Version Hd Quality Wiring Diagram Mediagrame Martamenegatti It
Deciphering The Wiring Harnes Diagram Heated Seats Subaru Forester Owners Forum
99 Impreza Wiring Diagram Relay Switch

Diagram 2008 Subaru Impreza Wiring Diagrams Full Version Hd Quality Wiring Diagrams Circutdiagram Hotelrigelcatania It

Diagram 94 Subaru Legacy Wiring Diagram Full Version Hd Quality Wiring Diagram Outletdiagram Martamenegatti It

1999 2001 Subaru Impreza Wiring Diagram Wiring Diagram Service Manual Pdf

Diagram Subaru Legacy 2011 Wiring Diagram Full Version Hd Quality Wiring Diagram Ediagramming Martamenegatti It

2001 Subaru Legacy Wiring Diagram And Engine Electrical System Wiring Diagram Service Manual Pdf
Posting Komentar untuk "1999 Subaru Impreza Wiring Diagram"